Location -> Products -> Level -> Magnetostrictive Level Transducer

Type:magnetostrictive level transducer
Illustrate:Length of the rod:LC+50+15 Pls provide the LC dimension when your order
Magnettostrictive level transmitter

Remarks: LC=actual measuring range:
Length of the rod:LC+50+15
Pls provide the LC dimension when your order

Magnettostrictive level transmitter connection guide:
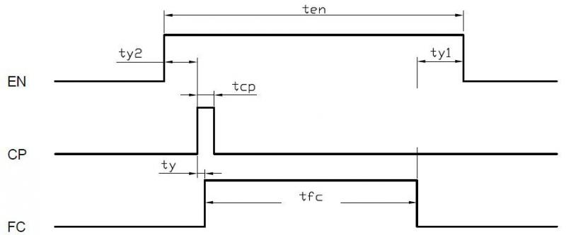
name | Mini. | Max. |
Ten | See remarks | -- |
Ty2 | 120mS | -- |
Tcp | 300nS | 2mS |
Tfc | 25μS | 2mS |
Ty | 2nS | 20nS |
Ty1 | 30mS | -- |
Remarks: mini.Ten = Ty2+ Ty+ Tfc+ Ty1
EN: sensor starting, high level starting, low level sleeping.
CP: Trigger pulse signal, pay attention to leave pulse width enough.
FC: Return the pulse signal of the sensor, the pulse width is reflected sensor location
Output interface 2.0, spaced white plug. description as below:

1: V+,power supply of sensor:3-6V;
2: CP, Trigger information, high level3-5V;
3: EN, start time,high level3-5V;
4: FC, return signal,high level3.3V;
5: GND, power ground 0V;
Power dissipation instruction:power supply:5V, the cycle is longer than a second
when EN=0, V+ Current consumption<15μA;
when EN=1, V+ Current consumption<1.5mA;
Last:Without the Next:magnetostrictive level transduc..