Location -> Products -> Level -> level Transmitter

Type:CXPTB-221 level transmitter(local display)
Illustrate:Designed by digital circuit compensated technology, high-accuracy and high-stability Level Transmitter CXPTB-221 with Local display is suitable for liquid measuring and controlling in Hydraulic fields, Environment Protecting fields, Industrial process controlling fields, Pharmaceutical fields and so on.
CXPTB-221 Level Transmitter(Local Display)
Application
l Hydraulic fields, environment protecting fields
l Industrial process controlling fields
l Petroleum, chemistry industry, medicine
Feature
l Digital circuit compensated technology
l Moist proof, leakage proof
l Local display
l High accuracy, good stability
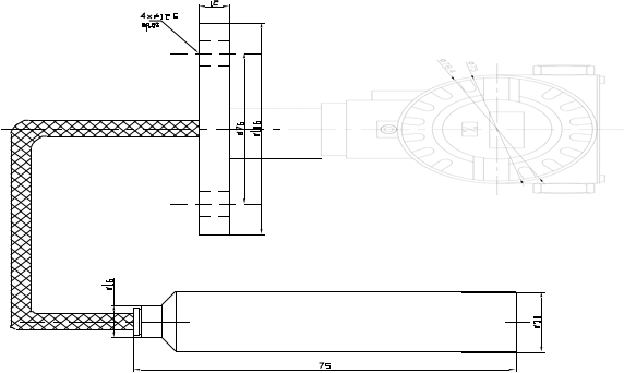
Dimension

Remarks: Above dimension only for reference, we can tailor the product as you required.
Specification
l Range0….1mH2O to 0….50mH2O
l Accuracy0.5%FS
l Nonlinearity0.2%FS
l Stability0.2%FS/year
l Output4-20mA(2 Wire), 0-5V;0-10V(3 Wire)
l Input24(12~36)VDC (Amplify signal)
l Operation Temp-10~80℃
l Compensated temp0~70℃
l Overload pressure150%FS
l Medium materialHousing: stainless steel
l Electric connectionVented Cable ,Submersion type
l Protection classIP68
Installation

Installat ln contalner
Ordering Guide
Model | Range(mH2O) | Output |
Cable Length |
Other Requirement |
CXPTB-221 | --- | --- | --- | --- |
Example:CXPTB-221-20m H2O -4/20mA-25m cable |
Last: CXPTB-222 level transmitter(.. Next:CXPTB-220 level transmitter (i..