Location -> Products -> Level -> Level Switch

Type:CX-UQK float level sensor
Illustrate:Application and feature: This instrument consist of display instrument and sensor . It is widely used in oil refining ,chemical , paper ,food and sewage treatment industries.
Float level sensor
Application and feature:
This instrument consist of display instrument and sensor . It is widely used in oil refining ,chemical ,
paper ,food and sewage treatment industries. It can process the level display ,alarm and control for
the open ,close or underground container . The medium can be water ,oil ,acid ,alkali, industrial
effluent and other conductive and non conductive liquid . The controller has strong anti-corrosive
function . It can overcome the false caused by the bubble .
CX-UQK-71-2 level display controller ,consist of sensor and 2-point display instrument .
CX-UQK-71-4 level display controller ,consist of sensor and 4-point display instrument .
CX-UQK-71-10 level display controller ,consist of sensor and 10-point display instrument .
CX-UQK-71-50 level display controller ,consist of sensor and 50-point display instrument .
CX-UQK-71-100 level display controller ,consist of sensor and 100-point display instrument .
CX-UQK-71-S figure display level controller ,consist of sensor and secondary display instrument .
Principle :
The sensor arrange in a group of reed switch ,the reed switch will have the relative action and the
resistance will change when the float with magnet drift up and down .The instrument panel respond
to the level height and produce the figure change . The switch of level control height on the panel ,
which can set it in any control range randomly . When the level reach the given height ,the display
instrument emit contact signal and alarm .
Main parameter
Sensor:
Sensor material | Medium pressure (Mpa) | Temperature ℃ | Range H(mm) |
1Cr18NiTi(G) (GX) |
2.5,1.6,0.6,0.25 | -40~150 | 0~12m |
F46(F) | 2.5,1.6,0.6,0.25 | -40~150 | 0~12m (select at random ) |
P.V.C(S) | 0.6,0.25 | -40~150 | 0~6 m (select at random ) |
Medium density :≤0.45g/cm3
Medium viscosity:≤1st[(1/10000)m2/S]
Flange standard :JB/T82-1-94 Dn150 PN2.5,1.6,0.60,0.25MPa(G x type is DN40) ,and other standard flange GJ,GB,ANSI etc .
User and design apartment ,please notice the anti-explosion mark;Anti-explosion type d II BT5,Basic type ibCT1~6
Display instrument
Function | Display 2-point | Display 4-poin | Display 10-poin | Display 50-poin | 100D | Digital display |
Alarm | Sound and light | Sound and light | Light | Light | Light | Light |
Control | / | / | Random | Random | Random | Random |
Power and contact capacity:220VAC 0.5A
Power consumption:6W
Display color:Liquid range in green ,alarm in red
Electric connection :Female screw M20 x 1.5
Dimension:80×160×125mm
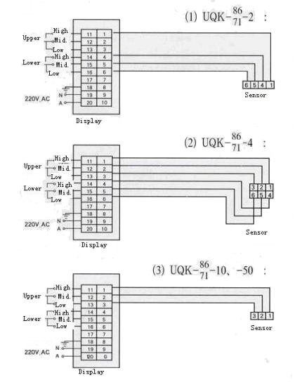
3. Connection and control
CX-UQK-71 series level display controller’s diagram


Last:CX-FLM-UQK-71 anti-corrosive Fl.. Next:CX-FLM-UQK-61 multi-point contr..