Location -> Products -> Level -> Level Switch

Type:CX-ZXK-XBD series break-down level meter
Illustrate:XBD-series break-down level meter is widely used in modern industry production line with warehouse section.
CX-ZXK-XBD SERIES BREAK-DOWN LEVEL METER
APPLICATION AND FEATURES
XBD-series break-down level meter is widely used in modern industry production line with
warehouse section. It is used to monitor or control the level of powder and grain material in
the open container and has many advantages of advanced technology, reasonable structure,
reliable performance, easy maintenance, best cost performance etc., (take the high temperature
type for example, its price is less than one third of imported product) compared with old products
currently produced in domestic, is the first choice to substitute for imported one.
The product is adopted a entirely new design of structure, its features is as following:
1. It has the features of anti-rust, no pollution, anti-humid, anti-dust etc. Both in foodstuff equipment and heavy-dust likes environments can be used for its most part exposed are made of stainless steel or aluminum alloy.
2. It can affectedly avoid the damage of motor and decelerator made by misusage or non-normal outside force.
3. For apply to different specific weight of materials, user can choose any shape and specification
of test board. In order to user’s convenient, the machine core is set five devices for adjusting sensing.
4. Model XBD-*R is adopted cooler part, so it can use in the material environment which is ≤300℃
(which can not be done by the capacitance, tuning fork ultrasonic level detecting device)
OPERATION PRINCIPLE
The series instrument is adopted micro-motor to bring test board rotation at speed of 1 or 2.5r/m by speed-down. When the material level is tested increase stopping tested board rotation, test actuator will
start to rotate moving around main axis .this moving will first trigger a micro-switch to action send
out a material signal ,another micro-switch will action as follow to cut off micro-motor power to stop
running. Only level is not change, status will keep it thereafter.
When level is down test board is resume, test actuator will return to a original status by spring drawing.
firstly a micro-switch actions getting power on to bring rotate, then another micro-switch actions sending out a non-material signal, only there is no material to stop test board rotation, status will keep it thereafter.
MAIN TECHNICAL PARAMETERS(see detail as following table)
Model | XBD-1 | XBD-2 | XBD-3 | XBD-*R |
Application | upper, lower limited measurement | |||
Paddle Speed | 5 or 6 r/m | |||
Medium Density | ≥0.2g/cm3(bigger paddle) | |||
Sensitivity | Five spans adjustable(mechanism) | |||
Ambient Temp. | -10~+80℃ | |||
Power Supply | 36VAC,110V,115V,220V,50Hz | |||
Output | Switch signal | |||
Con. Capacity | 220V 3A (AC) | |||
Consumption | <3W | |||
Material Temp. | -10~+80℃ | -10~+80℃ | -10~+80℃ | -10~+300℃ |
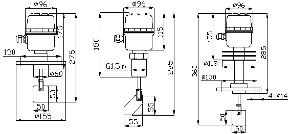
Mounting Mode | Flange mount. | G1.5 in thread | Flange mount. | Two ways |
Weight | 2.0Kg | 1.5Kg | 2.0Kg | 2.5Kg |

Model XBD-1 Model XBD-2 Model XBD-1R
VI TERMINAL CONNECTION

L C H 36/110/115/220V AC
Last:CX-FLM-FYKG stainless steel flo.. Next:CX-RL-RF series level controlle..