Location -> Products -> Level -> Level Switch

Type:marine liquid level controller
Illustrate:Marine Floating Ball Liquid Level Controlleru (called controller in the following),is made up of the floating ball the connccting rod, iron core party and the maghetic switching mechanism.
MARINE FLOATING BALL LIQUID LEVEL CONTROLLER

Ⅰ.APPLICATION
The FLOATING BALL LIQUID LEVELCONTROLLER series UQK-01,02,03,
which is belonged to two-digit material level instrument,is fit for the
liquid level control in the vessels the non-corroded material for copper,
aluminium and stainless steel,When the liquid reaches the upper/lower
limit levelthe controller will output a switching signal of contactor to
realize the liquid level alarm of start/stop the el- ectric pump,They sre
suitable fof use in Dept of Petroleum,Chemical Industry etc and in Ocean
Ships
Ⅱ.TYPE AND MAIN TECHNICAL PARAMETER
Type | UQK-01-C | UQK-02-C | UQK-03-C |
Scope | 8mm | 25-550mm | 8-1000mm |
Adjustment | Non-adjustment | level | Non-level |
Install | horizontal | horizontal | horizontal |
Working pressure | ≤1Mpa | ||
Temperature | ≤150°C | ||
Voltage | 220V 100V ,24-240V | ||
Contage Cap | 1.5A , 2.5A , 2.5-0.5A |
Ⅲ.CONSTRUCTION PRINCIPLE
The controller is made up of the floating ball grout and theswitching
mechanism,whem the checked liquid level changes,the floating ball will go
up and down and the magnetic steel in the connecting rod will move downwards
Then when the floating ball reaches the two controlling point,the magnetic
steel of the switching mechanism will be repelled to the another point accrding
to the principle of the like pole magnetic repulsion There-fore,the 1-1 or 2-2
contactor will switch on or turn off,and the swithing on/off signal will be
input to realize level alarm and automatic control,
There aren'tmechanical movement between the switching mechanism and the
fioating ball The switching mechanism is fully separeted by the checked liquid
level in order not to effect its normally working because of the impurity of the
agent,We say,quick operating,reliable working and long servicing live
The construction of the controller is shown in fig,1 fig,2 fig,3 The working
principle is shown in fig,4.
Ⅳ.USAGE NOTE
1.There aren't magnetic impurity in the measured agent
2.The frequency and the amplitude of the level fluctuation of agent measured
shouldn't be too much
3.If the diameter of the UQK-03 type controller'sfloating ball is bigger than
the bore diameter of the flange,the cover of the vesselscan be unloaded
Ⅴ.ORDER GUIDE
When you place an order,please specify the type,the flange standard and specification If you
haven't special requirement,we will supply the order according to the nonstandard .



I.BRIEF
Marine Floating Ball Liquid Level Controlleru (called controller in the
following),is made up of the floating ball the connccting rod, iron core
party and the maghetic switching mechanism. The liquid level change checked by
the floating ball will be dircctiy sent to the magnetic switching mechanism.
The controller resonably selects sealing magnetic isolated on-off switching
mechanism in order that the permnnent-magnet component donit dircctly contact
the agent So there aren't both rolling stop and stoping machine by the mixed
impurity of the internal agent and to occur the stoppage for the mechanical
frictiou of the mcchanism.
The controller also meets the special requirement of marine control and
mcasurement instruments provided by IEC 92-504(1974) of the Intenational
Elcctical Industrial committee and is up to the Steel Structure Ocean Ship
Classification and the relative stipulations on the marine measyrement
instrument of the test rules on control and ekectric equipment for model
acceptance of Lioyd's Register of Shipping.
Ⅱ. APPLICATION
Marine Floating Ball Level Controllcr series UQK-65-C,iswidciy used in Ocean
ships and various closevessels and openvessels for liquid level alarm of control
in other e-quipment for lubicating-oil,kerosene of waste oil fresh water,industrial
waste water ctc in auxiliary machine boiler in engine room of a ship But the
controller is not suitable for the agent corrosive to stainless and in the
explosive and inflammable dangerous sites.
Ⅲ. MAIN TECHNICAL PARAMETER
i.Control function;single-point position
2. UQK-651-C 10-70mm
UQK-652-C 10-40mm
ⅱ.Changing over difference:
UQK-651-C 10-70mm
UQK-652-C 10-40mm
ⅲ.Working tempeature:≤150°C
ⅳ.Working pressure:≤1MPa
ⅴ.Repeated Error:≤20mm
380/440V
ⅵ.Output contactor and rated capacity:
Output contactor is a set of chang contactors.
Rated capacity is AC 50/60Hz 380/440V.
Load is dissipatation 1A or induction 0.5A.
ⅶ.Specific gravity of the agent;0.8~1.2/cm.
ⅷ.Connecting flange:
Side-mounting type;GB571-65 PN;1MPa DN;∅ 100mm
Top-mounting type;GB573-65 PN;1MPa DN;∅ 125mm
ⅸ.Extension length :LO=400,500,630,800,1000,1250mm
(see the back page)
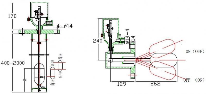
ⅹ.Outside dimension: see the back page
Ⅳ.WORKING PRINCIPLE
The controller's working principle is based on the Archimedes'principle,i,e the floating
ball immersed in the liquid a upward floatage which is equal to the liquid weight drained off
by the fioating ball,With the variation of the liquid level in the vessels,the floating ball
will go up anddown and drive the connecting rod and the iron core to move upwards and downards,
andmake the relative position to chang between the ieon core and the magntic steel,The function
of magnetic between iron core and the magentic steel makes the inatre on-off switching mechanism
turn over and makes the switch act,the changing over difference about 10-40mm of 10 -70mm shown in fig,
1 The miniature switch will send a signal to realize level alarm,to operate the valve,to control other equipment.
Ⅴ.CONSTRUCTION AND OUTSIDE DIMENSION
Ⅵ.MODEL SELECTION OF THE CONTROLLER AND ERECTION METHON
The selection of the controller and working state shoule dedone in accordance with
theprocess requiement and equipment conditions as see the back page
ⅰ.side-mounting flange:UQK-651-C
ⅱ.Top-mounting flange:UQK-652-C
Ⅶ.ERECTION AND USAGE
1.Before mounting the controller,the controller should be examined in order to
make sure that there is not any fricion of screw-loosing.
2.the controllershould be mounted in the position where it is easy to observe
and convenient for maintenance,And the verticality of the connecting fod
centreline should be main-tained.
3.Thefrequency and the anplitude of the level fluctuation of the agent measured
shouldn't be too much.
4.When the viscosity of the agent measure is rather high of when the agent is
casy to becrystallized,the controller is not available
5.the controller is not suitable for the agent corrosive to stainless steel and
in the ex-plosive and inflammable dangerous sites.
Ⅷ.ORDER GUIDE
1.When you place an order,please specify the type,the name,the measure scope ,
thepressure,the temperature and the specifv gravity of agent.
2.Ifyou have a special requirement,we will accord with the order's agreement.



Ⅰ.APPLICATION
Model UQK-652-C/S instrument realije the level alarming of controlling
function for close-vessel of open- vessel,mainly used in peroleum,pharmacy
chemistry,metal alloy,and power industry,etc,It is an ideal instrument used
in industry process controlling.
The checked main agents are pure water,city water,industry pollution
water,oil and acid of alkali liquid with conductive of non-conductive property.
Ⅱ. MAIN SPECIFICATIONS
1.control region;≥200mm
2.agent gravity;≥0.8g/cm
C 3.gravity temprature;-40~+80°C
C 4.environment temperature;-20~+80°C
5.working pressure;≤1.0MPa
6.precision;±20mm
7.contactor capacity;220/380V AC 1A
8.agent viscoity;≤0.02Pa.s
9.top and bottom blind zone;100mm
10.protection type:A-with protection tube,B-without protcion tube
Ⅲ.CONSTRUCTION ANG WORKING PRINCIPLE
Instrument structure mainly by float, guide tube, flange, junction box
and transmitter, and other components, including stainless steel
wetted materials. As shown.
Archimedes principle is to use the law of the float fitted with a
permanent magnet, the rise and fall with the level and move up and down the
guide tube. After a dry spring conversion, enabling the alarm and the upper
and lower control points.


Instrument structure Fig.

Wiring diagram
Last:Without the Next:float level controller